Bosch Rexroth Miniatuurwagen Resist NRII MWA-012-SNS-C1-H-3 - LFS
Product informatie
Mocht je vragen hebben over de Bosch Rexroth Miniatuurwagen Resist NRII MWA-012-SNS-C1-H-3 - LFS, neem dan gerust contact met ons op.
Dit product is tijdelijk niet leverbaar.
- Gratis verzending binnen nederland
- Eenvoudig retourneren
Vraag bij grotere aantallen of geen voorraad vrijblijvend een offerte aan.
Product informatie
Mocht je vragen hebben over de Bosch Rexroth Miniatuurwagen Resist NRII MWA-012-SNS-C1-H-3 - LFS, neem dan gerust contact met ons op.
Artikelnummer
BO214936
O.E.M. Nummer
R044221301
Merk
Bosch Rexroth
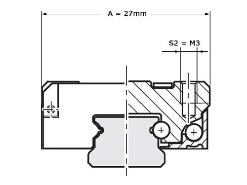
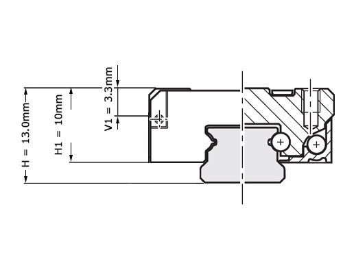
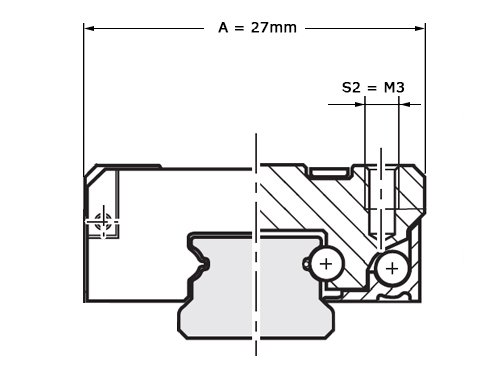
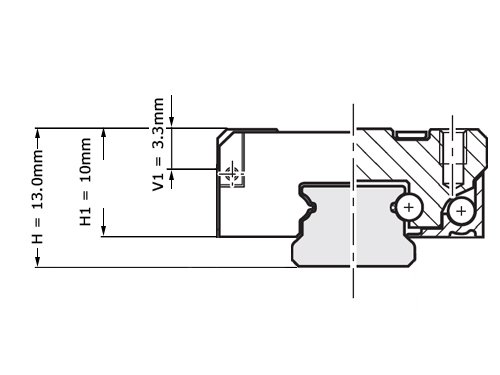
Hoogte H (mm)
13
Breedte B (mm)
27
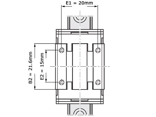
L (mm)
34.8
Dynamisch Draaggetal (N)
2310
Statisch Draaggetal (N)
3470
Gewicht
0.0500
Bosch, Rexroth, Miniatuurwagen, Resist, NRII, MWA, 012, SNS, C1.





