Bosch Rexroth Miniatuurwagen Resist NRII MWA-015-SNS-C0-H-3 Zonder Kogelketting - LFS
Product informatie
Mocht je vragen hebben over de Bosch Rexroth Miniatuurwagen Resist NRII MWA-015-SNS-C0-H-3 Zonder Kogelketting - LFS, neem dan gerust contact met ons op.
Dit product is tijdelijk niet leverbaar.
- Gratis verzending binnen nederland
- Eenvoudig retourneren
Vraag bij grotere aantallen of geen voorraad vrijblijvend een offerte aan.
Product informatie
Mocht je vragen hebben over de Bosch Rexroth Miniatuurwagen Resist NRII MWA-015-SNS-C0-H-3 Zonder Kogelketting - LFS, neem dan gerust contact met ons op.
Artikelnummer
BO594837
O.E.M. Nummer
R044259301
Merk
Bosch Rexroth
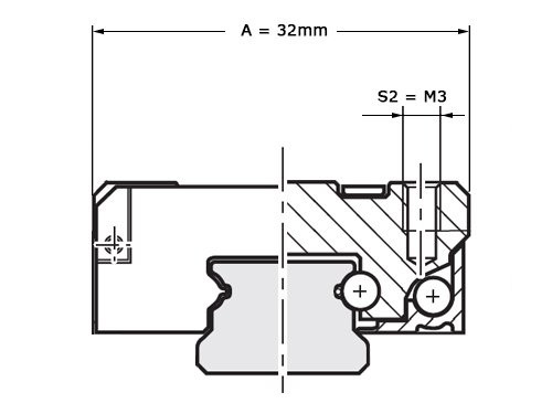
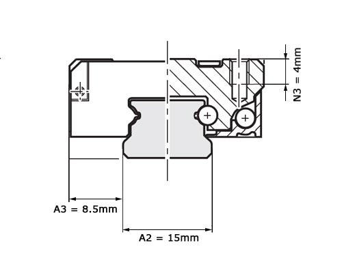
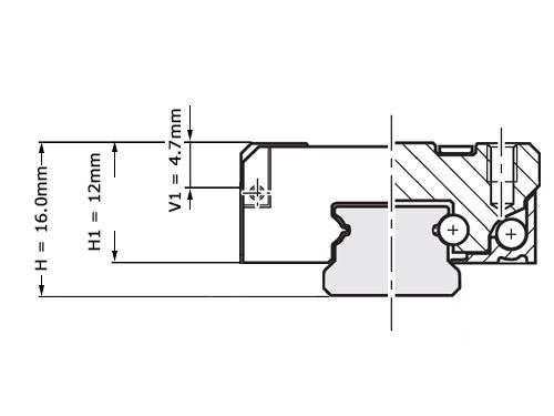
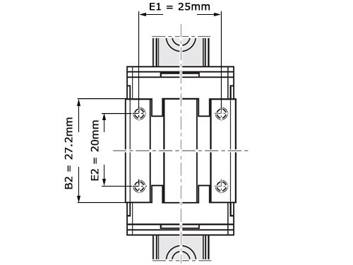
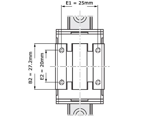
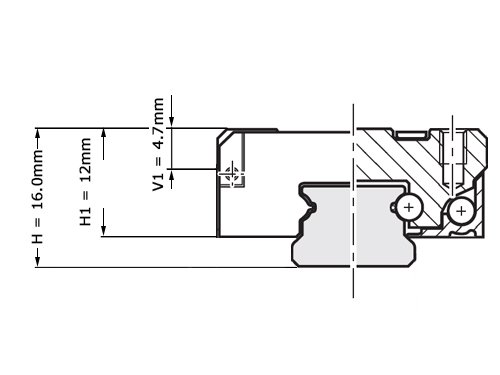
Hoogte H (mm)
16
Breedte B (mm)
32
L (mm)
43
Dynamisch Draaggetal (N)
4200
Statisch Draaggetal (N)
6260
Gewicht
0.0800
Bosch, Rexroth, Miniatuurwagen, Resist, NRII, MWA, 015, SNS, C0.





