Bosch Rexroth Miniatuurwagen Resist NRII MWA-012-BNS-C0-H-3
Product informatie
Mocht je vragen hebben over de Bosch Rexroth Miniatuurwagen Resist NRII MWA-012-BNS-C0-H-3, neem dan gerust contact met ons op.
Dit product is tijdelijk niet leverbaar.
- Gratis verzending binnen nederland
- Eenvoudig retourneren
Vraag bij grotere aantallen of geen voorraad vrijblijvend een offerte aan.
Product informatie
Mocht je vragen hebben over de Bosch Rexroth Miniatuurwagen Resist NRII MWA-012-BNS-C0-H-3, neem dan gerust contact met ons op.
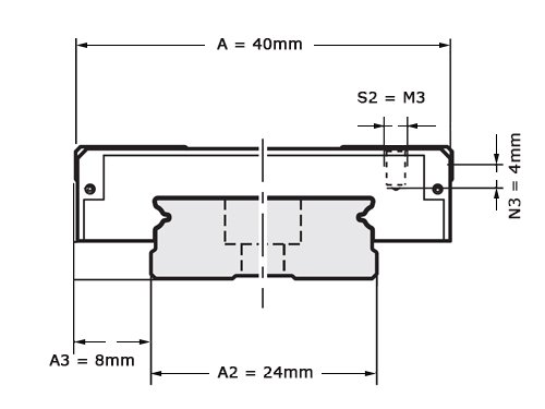
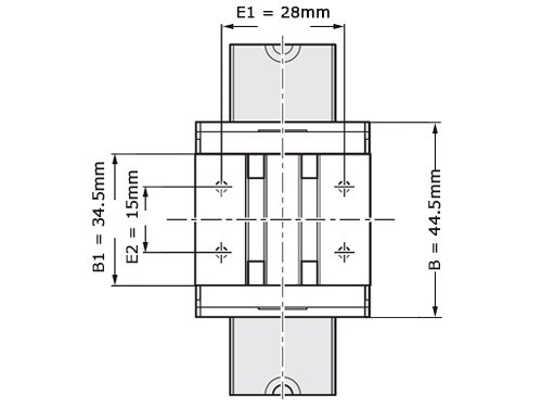
Artikelnummer
BO184317
O.E.M. Nummer
R044329301
Merk
Bosch Rexroth
Hoogte H (mm)
14
Breedte B (mm)
40
L (mm)
44.5
Dynamisch Draaggetal (N)
3200
Statisch Draaggetal (N)
5340
Gewicht
0.0900
Bosch, Rexroth, Miniatuurwagen, Resist, NRII, MWA, 012, BNS, C0.



