INA Insert Lager RCSMA30/65
Product informatie
Mocht je vragen hebben over de INA Insert Lager RCSMA30/65, neem dan gerust contact met ons op.
Artikelnummer: BO377914
Dit product is tijdelijk niet leverbaar.
- Eenvoudig retourneren
Offerte
Vraag bij grotere aantallen of geen voorraad vrijblijvend een offerte aan.
Product informatie
Mocht je vragen hebben over de INA Insert Lager RCSMA30/65, neem dan gerust contact met ons op.
Verzendopties / Levertijd
· Brievenbuspost zonder track & trace
De bestelling wordt binnen Niet leverbaar verstuurd.
· Pakket verzending met track & trace
De bestelling wordt binnen Niet leverbaar verstuurd.
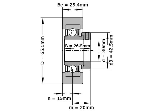
Technische gegevens
Artikelnummer
BO377914
Trefwoorden
INA, ##, RCSMA30, 65.
Merk
Ina
Dynamisch Draaggetal (N)
13200
Statisch Draaggetal (N)
8300
Gewicht
0.2190
EAN
4012802790115
Reviews
Er zijn nog geen reviews geplaatst. Heb jij ervaring met INA Insert Lager RCSMA30/65? Deel je ervaring met anderen!
