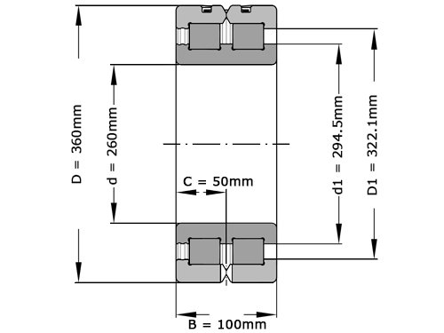
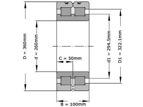
INA Cilinderlager Tweerijig SL014952 C3 (260x360x100mm)
Product informatie
Mocht je vragen hebben over de INA Cilinderlager Tweerijig SL014952 C3 (260x360x100mm), neem dan gerust contact met ons op.
Dit product is tijdelijk niet leverbaar.
- Gratis verzending binnen nederland
- Eenvoudig retourneren
Vraag bij grotere aantallen of geen voorraad vrijblijvend een offerte aan.
Product informatie
Mocht je vragen hebben over de INA Cilinderlager Tweerijig SL014952 C3 (260x360x100mm), neem dan gerust contact met ons op.
Artikelnummer
BO121521
INA, Cilinderlager, Tweerijig, SL014952, C3.
Merk
Ina
Afdichting
Zonder afdichting
Spelingsklasse
C3
Asdiameter (mm)
260
Buitendiameter (mm)
360
Dikte (mm)
100
Gewicht
32.0000
Dynamisch Draaggetal (N)
1100000
EAN
4054365458606

