INA Cilinderlager Tweerijig SL045040 PP (200x310x150mm)
Product informatie
Mocht je vragen hebben over de INA Cilinderlager Tweerijig SL045040 PP (200x310x150mm), neem dan gerust contact met ons op.
Dit product is tijdelijk niet leverbaar.
- Gratis verzending binnen nederland
- Eenvoudig retourneren
Vraag bij grotere aantallen of geen voorraad vrijblijvend een offerte aan.
Product informatie
Mocht je vragen hebben over de INA Cilinderlager Tweerijig SL045040 PP (200x310x150mm), neem dan gerust contact met ons op.
Artikelnummer
BO414343
INA, Cilinderlager, Tweerijig, SL045040, PP.
Merk
Ina
Afdichting
Zonder afdichting
Spelingsklasse
C0 (Standaard)
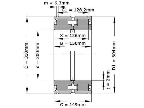
Asdiameter (mm)
200
Buitendiameter (mm)
310
Dikte (mm)
150
Statisch Draaggetal (N)
2600000
Dynamisch Draaggetal (N)
1350000
EAN
35373125562

