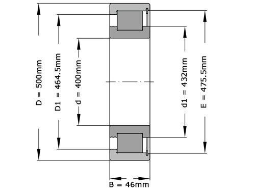
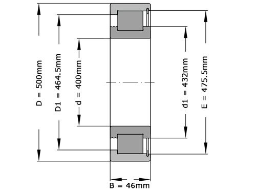
INA Cilinderlager Eenrijig SL181880 BR (400x500x46mm)
Product informatie
Mocht je vragen hebben over de INA Cilinderlager Eenrijig SL181880 BR (400x500x46mm), neem dan gerust contact met ons op.
Dit product is tijdelijk niet leverbaar.
- Gratis verzending binnen nederland
- Eenvoudig retourneren
Vraag bij grotere aantallen of geen voorraad vrijblijvend een offerte aan.
Product informatie
Mocht je vragen hebben over de INA Cilinderlager Eenrijig SL181880 BR (400x500x46mm), neem dan gerust contact met ons op.
Artikelnummer
BO745686
INA, Cilinderlager, Tweerijig, SL181880, BR.
Merk
Ina
Afdichting
Zonder afdichting
Spelingsklasse
C0 (Standaard)
Asdiameter (mm)
400
Buitendiameter (mm)
500
Dikte (mm)
46
Gewicht
19.0000
Statisch Draaggetal (N)
1340000
Dynamisch Draaggetal (N)
660000
EAN
4012802504538

