INA Cilinderlager Tweerijig SL014918 C3 (90x125x35mm)
Product informatie
Mocht je vragen hebben over de INA Cilinderlager Tweerijig SL014918 C3 (90x125x35mm), neem dan gerust contact met ons op.
Dit product is tijdelijk niet leverbaar.
- Gratis verzending binnen nederland
- Eenvoudig retourneren
Vraag bij grotere aantallen of geen voorraad vrijblijvend een offerte aan.
Product informatie
Mocht je vragen hebben over de INA Cilinderlager Tweerijig SL014918 C3 (90x125x35mm), neem dan gerust contact met ons op.
Artikelnummer
BO276727
INA, Cilinderlager, Tweerijig, SL014918, C3, 90x125x35mm.
Merk
Ina
Afdichting
Zonder afdichting
Spelingsklasse
C3
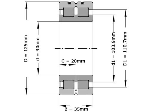
Asdiameter (mm)
90
Buitendiameter (mm)
125
Dikte (mm)
35
Gewicht
1.3110
Statisch Draaggetal (N)
290000
Dynamisch Draaggetal (N)
153000
EAN
4012802171938

