Nachi Kogeltaatslager 51316 (80x140x44mm)
Product informatie
Mocht je vragen hebben over de Nachi Kogeltaatslager 51316 (80x140x44mm), neem dan gerust contact met ons op.
Dit product is tijdelijk niet leverbaar.
- Gratis verzending binnen nederland
- Eenvoudig retourneren
Vraag bij grotere aantallen of geen voorraad vrijblijvend een offerte aan.
Product informatie
Mocht je vragen hebben over de Nachi Kogeltaatslager 51316 (80x140x44mm), neem dan gerust contact met ons op.
Artikelnummer
BO687065
Merk
Nachi
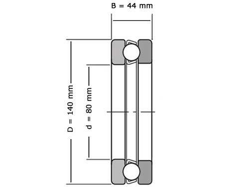
Asdiameter - d (mm)
80
Buitendiameter - D (mm)
140
T (mm)
44
r min (mm)
1.5
d1 max (mm)
140
D1 min (mm)
82
Gewicht
2.7900
Nachi, Kogeltaatslager, 51316, 65x90x18mm.

