SKF Insert Lager YET209 (45mm)
Product informatie
Mocht je vragen hebben over de SKF Insert Lager YET209 (45mm), neem dan gerust contact met ons op.
- Eenvoudig retourneren
Vraag bij grotere aantallen of geen voorraad vrijblijvend een offerte aan.
Product informatie
Mocht je vragen hebben over de SKF Insert Lager YET209 (45mm), neem dan gerust contact met ons op.
Artikelnummer
BO714767
SKF, Insert, Lager, YET209.
Merk
SKF
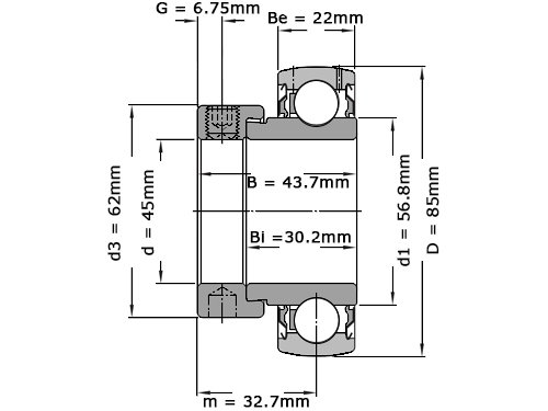
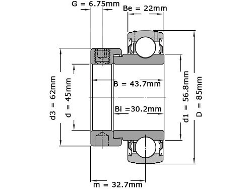
Asdiameter - d (mm)
45
Buitendiameter - D (mm)
85
Bi (mm)
30.2
Be (mm)
22
Dynamisch Draaggetal (N)
33200
Statisch Draaggetal (N)
21600
Temperatuurbereik
-20º tot +120º C
Gewicht
0.6630
EAN
7316577035226
